

手機瀏覽
更方便
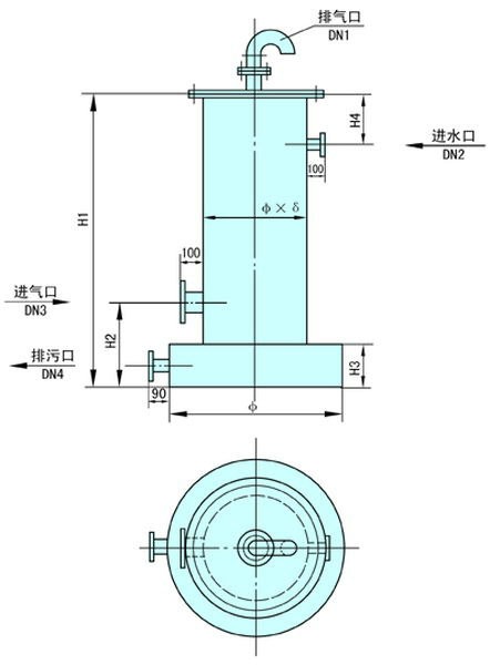
酸霧吸收器的酸霧進口與儲酸槽的排氣口用耐腐蝕管道連接成密閉系統,從加水口加入水并通過加水系統進行水噴淋,均勻噴灑下來,經過吸收系統讓酸霧充分被水吸收后釋放,然后水溶液通過排水口排出,去到中和池。
它不僅適用范圍廣,而且凈化效率高(h>95%),設備阻力低(400-600pa)運行費用低,凡在使用此設備的場合,都達到國家排放標準。
山東華勝順天生態環境裝備有限公司
備案號:魯ICP備20016519號-1
魯公網安備 37030602000327號